ZLYJ/ZSYJ单螺杆挤出机齿轮箱系列
- JHM、ZLYJ、ZSYJ系列减速器是为塑料螺杆挤出机配套设计的高精度硬齿面带推力座的传动装置。
- 产品设计采用JB/T9095.1-1999规定的各项技术范围。
- 主要传动零件采用优质合金钢材质,齿轮经渗碳、淬火、磨齿工艺制造,精度为(GBl0095-88)6级。
- 在空心输出轴前段配置有超规格的推力轴承,受螺杆的工作后座力。
- 整机具有体积小、承载能力高、传动平稳、噪声低、效率高等特点。

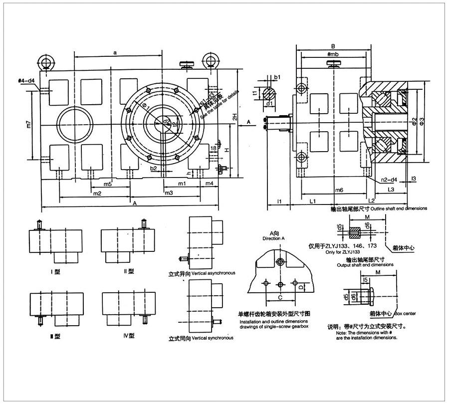
ZLYJ(ZSYJ)单螺杆卧式减速箱

ZLYJ(ZSYJ)单螺杆立式减速箱
ZLYJ/ZSYJ橡塑机械齿轮箱外形尺寸图




